Page 51 - quarter turn
P. 51
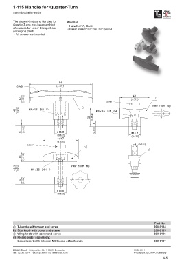
1-115 Handle for Quarter-Turn
assembled afterwards
M6
4Nm
The shown Knobs and Handles for Material:
Quarter-Turns, can be assembled • Handle: PA, black
afterwards for easier transport and • Basic insert: zinc die, zinc plated
packaging (flush).
• All screws are included.
Part No.
a) T-handle with cover and screw 200-9134
b) Star knob with cover and screw 200-9135
c) Wing knob with cover and screw 200-9136
d) Please order separately:
Basic insert with internal M6 thread at both ends 200-9137
DIRAK GmbH Königsfelder Str. 1 58256 Ennepetal 06.02.2011
Tel.: 02333.837-0 Fax: 02333.837-100 www.dirak.com © copyright by DIRAK / Germany
02.51

